殷 琰1,陈海波1,巨 阳2
(1. 中国科学技术大学近代力学系,中国科学院材料力学行为与设计重点实验室,合肥 230026;2. 名古屋大学机械理工学专攻,名古屋 464-8603,日本)
摘 要:研究退火处理对紫铜组织及机械性能的影响,利用X射线衍射、金相观测、硬度测量、拉伸和疲劳试验以及扫描电子显微镜观测等试验手段,对比分析了退火前后紫铜的金相组织、基本力学性能、疲劳寿命、断口显微形貌和疲劳裂纹扩展行为等。考察了表面形貌对材料试件的疲劳寿命的影响,利用带缺口的试件对疲劳裂纹扩展行为进行了观测,给出了退火前后疲劳裂纹扩展速率及疲劳寿命随表面粗糙度增大而改变的定量结果。结果表明:退火后紫铜主要衍射峰出现窄化,其内部晶粒增大;材料屈服应力、弹性模量、维氏硬度及疲劳性能显著降低。试件疲劳寿命受表面粗糙度影响的敏感性在退火后降低。
关键词:紫铜;退火处理;微观组织;疲劳性能;粗糙度
紫铜材料具有优良的导电性、导热性能,在工业中应用广泛,常被用作各种导线、电缆等导电器材和散热管、热交换器等。紫铜在使用前通常需要进行再结晶退火,是为了消除内应力,使金属软化便于加工[1]。退火处理会影响材料的性能[2-3],已有结果表明铜材料在退火后硬度会明显降低[4]。紫铜材料除用作一般导电构件外,还因其耐腐蚀和抗磨性能优异被大量应用于电机转子上[5]。此外,同步辐射装置前端挡光元件要求所用材料同时具备高导热和小光子吸收系数的特点,也使铜及铜合金成为选用材料[6]。挡光元件在工作时,同步辐射光照射产生的热负载会引起热应力,而不挡光时,冷却水循环又会造成热及热应力的卸载。基于此类应用背景,材料的力学性能,包括硬度、强度甚至疲劳性能均会影响到相关结构部件的安全与可靠使用[7],因而有必要考察退火处理对材料这些方面的具体影响。
材料宏观性能的改变往往是由微观结构变化导致,对于不同处理手段下材料性能的研究,通常会同时从宏观性能及微观组织结构观测两方面进行。材料微观组织一般体现为内部晶向分布、晶粒结构及断口组织等,而对宏观性能的考察主要集中于硬度、强度、变形性能及疲劳性能等。材料疲劳性能的考察中,疲劳寿命尤为重要[8-10]。工程中经常会出现构件因形状复杂和加工方法限制等原因,机械加工表面无法达到理想的光滑状态,而构件疲劳寿命与结构的机械加工表面质量紧密相关。已有研究结果表明,构件的疲劳强度随表面粗糙度增大而降低,对于铜及铜合金材料这一结论同样适用[11-12]。受疲劳载荷构件的疲劳过程,往往是在经历足够多次的循环载荷后首先在高应力或高应变的局部区域萌生起始裂纹,之后经历相对稳定的宏观裂纹扩展阶段,最后材料构件因裂纹到达临界尺寸而失稳完全断裂[13]。因此,疲劳失效过程由裂纹萌生、扩展和最终断裂三个阶段组成。对于很多大结构部件而言,疲劳失效的判定准则并非是裂纹起裂,而是认为裂纹扩展到一定长度时才判定结构失效,即损伤容限设计。对于非脆性材料,在最终断裂失效之前构件往往会经历较长一段裂纹扩展期,其材料裂纹扩展阶段的性质对于考虑损伤容限的疲劳设计尤为关键[14-16]。
目前,退火处理对紫铜组织及机械性能影响的全面研究尚较缺乏。本文对退火前后紫铜材料基本力学性能、疲劳性能及微观组织等进行了全面考察,给出表面粗糙度对疲劳寿命和疲劳裂纹扩展速率影响的定量结果,为紫铜材料在工程中的有效应用提供参考。
试验采用铜JIS C1100 (GB T2紫铜)作为试验材料,其化学成分如表1所示,其中wt%为各元素的质量百分数。
表1 铜C1100化学成分(质量分数)
Table 1 Chemical composition of C1100 (mass percentage)
用于本研究的所有试样是从5 mm厚的轧制紫铜板经线切割加工而成。之后分为两组,其中一组经退火处理。紫铜(工业纯铜)一般的热处理手段为再结晶退火,退火温度为 500℃~700℃[1]。本文选择的退火条件为真空炉中595℃退火,保温1 h,之后炉冷,以该退火条件为例,考察退火前后材料各项性能的改变。将未退火和退火后两组材料分别加工成微观组织观测试样、拉伸试件及疲劳试件。未退火和退火后的材料分别取样进行打磨抛光,采用纯水100 mL、HCl 50 mL以及5 g无水FeCl3配置金相腐蚀剂侵蚀金相试样后[17],使用 KEYENCE VH-Z100R显微镜分别对两组试样进行金相观测。退火前后的试样分别采用 X射线衍射(X-ray diffraction,XRD)装置进行物相分析。采用岛津硬度测量仪HMV-G对退火前后试样的维氏硬度(HV)进行测量。
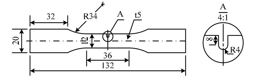
紫铜材料试件的单向拉伸及拉压疲劳试验均采用岛津伺服液压试验系统,分别依据GB/T 228―2002《金属材料室温拉伸试验方法》和GB/T 3075―2008《金属材料轴向加载疲劳试验方法》进行。其中,拉压疲劳试验包括带粗糙度试件疲劳行为试验与裂纹扩展速率观测试验两部分内容。前者所用试件形状如图1所示。

图1 光滑及带粗糙度试件几何尺寸图
Fig.1 Shape and dimensions of plain and rough specimens
疲劳试件经形状加工后依次采用180#、320#、500#、800#、1000#、1200#、1500#至 2000#不同等级的Al2O3颗粒砂纸对试件的试验段沿轴向方向打磨平整后,又经 1 μm、0.3 μm 及 0.05 μm 的 Al2O3悬浊液对试件表面进行抛光,最终得到光滑疲劳试件(Ra ≤ 0 .02μm )。而带不同粗糙度的粗糙试件经180#至 1000#砂纸沿轴向打磨之后,分别采用 320#和500#砂纸垂直于轴向方向打磨试验段。疲劳测试之前采用白光干涉仪(ZYGO NewView)对每根粗糙度试件的表面粗糙度参数进行了测量,每根试件的正反两面分别取8个测量区域,测量结果取平均值。疲劳试验采用对称加载( R =-1),名义应力控制,加载频率为 10 Hz。试件断裂后对断口进行扫描电镜(scanning electron microscope, SEM)观测与分析。
采用如图2所示的带缺口试件进行拉压疲劳裂纹扩展试验,以获得退火前后裂纹扩展速率的试验结果。缺口试件于单侧中间位置线切割加工出总深3 mm的U形贯穿缺口,缺口底部应力集中系数 K t为2.26[18]。

图2 裂纹扩展观测试件几何尺寸图
Fig.2 Dimensions of notched specimens
缺口试件表面处理同光滑疲劳试件,依次采用砂纸沿轴向方向打磨后再抛光。疲劳试验条件为拉压对称加载,且为方便比较并未采用相同的应力幅值,而是通过预先测试后,选取疲劳寿命同约为3×105次时的对称应力进行加载,其中未退火和退火后试件U形缺口底部名义应力为分别为50 MPa和40 MPa,加载频率为10 Hz。裂纹扩展情况采用KEYENCE VH-Z100R显微镜实时记录,试验装置如图3所示。疲劳寿命定义为试件断裂失效时所经历的循环数。
采用图1所示的紫铜光滑试件进行拉伸试验,得到退火前后紫铜的基本力学性能。由于材料未有明显的屈服限,取塑性应变 0.2%时所对应的应力σp 0. 2为屈服应力,E为材料弹性模量,Ψ为试件拉断后的断面收缩率。维氏硬度测量条件为 HV 0.2(1.961 N),保持时间 10 s。退火前后于试件的正反面各选取8个测量点进行硬度测量,之后对所有结果进行回归分析。对光滑试件进行疲劳试件。所有试验分别取退火前后的3根试件进行测试,结果取平均值。各项结果列于表2,其中HV为测得的维氏硬度,N f0- 1 00为光滑试件在对称循环峰值应力为100 MPa时所对应的疲劳寿命值。
表2 紫铜退火前后力学性能与疲劳强度
Table 2 Basic mechanical and fatigue properties of C1100

从表 2中结果不难看出,经历 595℃长达 1 h的退火后,紫铜材料强度性能有大幅降低,而断面收缩率增大。相较而言,退火后试件在峰值应力100 MPa加载下的疲劳寿命仅为未退火试件的9.8%,而维氏硬度则在退火后保持了58%的量值。
不同应用中对紫铜材料均有硬度指标要求[4],因此对该参数进行了进一步对比研究。图4给出了不同退火温度对紫铜材料硬度的影响。其中除室温及 595℃外,分别将未退火试样置于密闭石英灯加热装置中加热至 300℃、400℃及 500℃并保温 1 h之后自然冷却,之后测量各试样硬度。加热、保温及冷却过程中使用氩气作为保护气。
试验结果表明,在室温20℃~400℃温度范围内紫铜试样硬度快速降低,而之后温度再升高后硬度趋于稳定,不再明显降低。该硬度曲线与此前相应结果[4]的走势吻合。不论紫铜材料经多高温度加热退火,其硬度与退火之前相比都明显降低。
使用XRD得到退火处理前后紫铜X射线衍射图谱,如图5所示。

图3 疲劳裂纹扩展速率观测现场照片
Fig.3 Fatigue crack growth rate test photo

图4 不同加热温度对紫铜材料的硬度影响
Fig.4 Relationship between hardness and temperature for pure copper

图5 退火处理前后紫铜XRD图谱
Fig.5 X-ray diffraction patterns of C1100 before and after annealing
进一步分析,可得各主要晶面衍射峰的相对峰值比 I/(%)和半高宽(full width at half maximum,FWHM),见表3。
表3 退火前后紫铜X射线衍射峰峰强比及半高宽变化
Table 3 Intensity and FWHM of peaks for XRD

易见,退火前后材料衍射峰谱并未出现新峰,各峰位置也没有变化,表明材料内部没有新的晶向出现。但是,经 595℃退火处理后,主要晶面的衍射峰强弱发生了变化,(111)晶面峰高由 2490增长为 3409,其余各峰与其相对峰值比 I/(%)均略有减小,仅有最弱峰(222)从3%增长至4.9%。此外衍射峰半高宽发生明显窄化,(111)晶面半高宽从 0.232减小至 0.104。该结果表明,退火后晶粒变得粗大。
观察退火前后金相微观组织的变化情况,可进一步了解退火处理对紫铜材料微观结构影响。未退火和退火后的试样金相观测结果如图6所示。

图6 退火处理前后紫铜微观组织
Fig.6 Microstructure of C1100 before and after annealing
由图6可见,原材料金相照片中能观测到孪晶结构,晶粒较小且晶界密度大。经退火处理后,材料发生了再结晶,同样能观测到孪晶,晶粒度明显发生了变化。选取多视场下的大量晶粒统计退火前后晶粒尺寸,结果为:经退火后,晶粒平均直径从16 μm 增长至 41 μm。因此,紫铜晶粒的确发生粗化,这与XRD结果相对应。
考虑各工程实际可能出现的情况,分别对退火前后带有不同表面粗糙度的紫铜试件进行了疲劳测试。采用无量纲寿命Nf/Nf0来表征粗糙度参数对疲劳性能的影响,其中 Nf为粗糙度试件的疲劳寿命,Nf0为光滑试件疲劳寿命,具体为3根光滑试件的疲劳寿命结果的平均值。以试件表面轮廓算术平均偏差Ra表征其表面粗糙度,由白光干涉仪测得。退火前后粗糙度参数Ra与无量纲寿命的关系如图7所示。
如图7所示,使用两种不同粗细的砂纸打磨试验段后,所有试件表面粗糙度参数为 0.3 μm~1.1 μm,其中大多数试件的表面粗糙度集中在0.4 μm及0.80 μm附近。在该粗糙度范围内,紫铜试件疲劳寿命随着Ra的增大下降趋势明显,且相同粗糙度参数下经退火试件的无量纲寿命比未经退火试件的要高。

图7 退火前后紫铜无量纲化疲劳寿命与表面粗糙度关系
Fig.7 Relationship between Nf/Nf0 and Ra before and after annealing
对实验数据进行回归分析,得到未退火紫铜表面粗糙度对试件疲劳寿命影响的定量分析公式:
而针对595 ℃退火1 h后的试件,拟合得到:
为进一步考察上述变化的具体原因,对各试件断口进行扫描电镜观测(SEM),观测结果如图8所示。从断口可清晰地观察到试件的裂纹起裂于试件表面,之后经历稳定的疲劳裂纹扩展过程,最终断裂。
典型断口的主裂纹起裂点如图8(a)、图8(b)所示。粗糙表面上存在的加工痕迹形如沟壑,会造成应力集中,主裂纹萌生于沟壑底部,图中箭头所示即为试件裂纹萌生点。图8(a)显示,未经退火的试件在裂纹萌生后向试件内部方向生长的同时,由于表面沟壑的存在也会沿试件表面扩展。裂纹经过初期的生长过程后进入裂纹稳定扩展阶段,逐步围绕裂纹萌生处形成疲劳条纹,进一步向四周扩展。由于加载为拉压对称加载,裂纹萌生后经历扩展期的压研,萌生处附近显得较为平坦。而图8(b)表明,经过退火处理后的试件主裂纹同样由于应力集中萌生于试件表面,然而在包括萌生处附近的试件表面附近存在大量椭圆形孔洞结构。这些椭圆形结构为试件在裂纹萌生初期形成的韧窝,韧窝再经历多次循环互相连接,最终在表面应力集中处形成较为明显的主裂纹萌生区。由于韧窝结构的存在,使得退火后试件主裂纹更早萌生,但却对表面应力集中不那么敏感。因此,尽管退火后相同应力载荷下相同粗糙度的试件疲劳寿命降低明显,其无量纲疲劳寿命N/Nf却比未经退火的试件高,即对粗糙度敏感性降低。

图8 退火前后粗糙度疲劳试件断口扫描电镜照片,未退火试件Ra=0.390 μm;退火后试件Ra=0.442 μm
Fig.8 SEM photos for fracture surface of roughness specimens before and after annealing, As-received specimen Ra=0.390 μm and annealed specimen Ra=0.442 μm
主裂纹经历最初的缓慢萌生后进入稳定的扩展阶段。从图8(c)和图8(d)可见,不论是否经历退火,试件断口的裂纹扩展区域均能清晰地观察到疲劳纹与撕裂棱。每道疲劳纹对应一次载荷循环,疲劳纹与裂纹扩展的前进方向垂直;图中所箭头指的白色撕裂棱为不同平面的裂纹扩展汇合后形成的棱线,与裂纹扩展前进方向一致。相比未经退火的试件,退火后试件断口的裂纹扩展区额外出现间或存在的颗粒或圆孔形韧窝结构,如图中圈出区域所示。这些由于材料良好韧性形成的韧窝在裂纹扩展阶段会对裂纹扩展速率有加快作用,最终使得退火后试件的疲劳寿命相比未退火试件有所降低。表面粗糙度对疲劳寿命的影响主要体现于裂纹萌生阶段,表面沟壑的存在导致应力集中,使得裂纹更早起裂。退火对裂纹扩展阶段造成的影响在断口观测结果上难以更加具体地体现,之后的裂纹扩展观测部分将对该影响作进一步的详细探讨。
图 8(e)和图 8(f)为疲劳瞬断区的组织结构。由于平板夹头夹持整个夹持段,使用力控制加载可认为应力在试验段横截面上分布均匀,最终的瞬断区存在大量韧窝,韧窝形态、大小分布不论是否经历退火都相对均匀且韧窝较深,表明材料具有良好的塑性变形能力,最终断裂属于典型的韧性断裂,符合紫铜本身塑性优良的特性。同时,经过退火处理后韧窝相比未经退火试件的韧窝密度高,说明退火后材料韧性明显提升。
为考察退火前后材料疲劳断裂性能,使用带U形缺口的试件进行疲劳试验。记录的试件疲劳裂纹扩展过程如图9所示,其中当前循环数N与试件寿命Nf之间的比值N/Nf定义为无量纲循环数。
一般认为疲劳裂纹萌生之后,当裂纹长度达到其晶粒尺寸的3倍之后进入裂纹稳定扩展阶段[19]。根据此前金相观测结果,取裂纹长度 120 μm为宏观裂纹扩展观测起始值,图8(a)和图8(b)中粗糙度试件断口起裂点的尺寸也大约相符。根据所记录的裂纹扩展情况处理得到退火前后疲劳裂纹长度随循环数变化关系,如图10所示。
图 10中结果显示,在总寿命相近的情况下,相同无量纲循环数下未退火试件裂纹长度更长,与图9所显示的结果相一致。然而这并非说明退火后疲劳裂纹扩展速率更缓慢。材料裂纹扩展性能往往采用应力强度因子与扩展速率之间的关系来描述,这也为名义应力不同的情况下未退火与经退火后试件疲劳扩展阶段性能的比较提供了参考依据。大多数材料高周疲劳下,裂纹稳定扩展阶段时其各瞬时的裂纹扩展速率与交变应力下的应力强度因子幅度KΔ之间的关系可用Paris公式描述:
其中,系数C和指数m为材料常数。对于拉压对称加载的情况,由于每循环最小应力与最大应力绝对值相当,此时应力强度因子幅度KΔ为峰值应力单向拉伸时的应力强度因子KI的两倍[20]。利用有限元软件ABAQUS计算得到退火前后单边U形缺口有限宽板受均匀拉伸载荷时不同裂纹长度下的应力强度因子后[21],其与瞬时裂纹扩展速率之间的关系如图11所示,图中采用双对数坐标。

图9 裂纹扩展观测结果(a~d)退火前:σN=50 MPa Nf=291755 N/Nf=66,73,81,88%;(e~h)退火后:σN=40 MPa Nf=292496 N/Nf=71,80,91,97%
Fig.9 Photos for crack propagation(a~d) as-received: σN=50 MPa Nf=291755 N/Nf=66,73,81,88%;(e~h) annealed: σN=40 MPa Nf=292496 N/Nf=71,80,91,97%

图10 裂纹长度与无量纲循环数关系
Fig.10 Relationship between the crack length and dimensionless number of cycles
由图 11可见,退火处理后材料疲劳断裂性能有所下降,具体表现为三个方面。其一,Paris公式

图11 裂纹扩展速率
Fig.11 Crack propagation rate curves
所表征的稳定扩展阶段均存在于退火前后的试件上,然而退火后当应力强度因子半幅值为3.35 M Pa· m 1 /2时即进入这一阶段,而未退火试件一直到应力强度因子半幅值约 5.45 M Pa· m 1 /2时才进入该阶段,说明未退火的试件在相同名义应力下需要更长的裂纹长度才能进入稳定扩展段,即拥有更长阶段的裂纹萌生期。其二,相同的应力强度因子下退火后试件的裂纹扩展速率更高,使得材料在进入疲劳扩展阶段之后裂纹扩展得更快,更易到达临界长度造成材料最终的失效破坏。其三,进入双对数坐标下的线性扩展区域后其斜率,即 Paris公式中的指数m,在退火处理后略有增加,由3.15增大至3.66,同样说明试件在相同载荷下退火后疲劳裂纹会扩展得更快。
通过各项试验结果可知,经过1 h温度为595℃的退火处理,微观上紫铜材料晶粒大小发生粗化,各晶向分布的百分比也有所不同。相应的,宏观性能上弹性极限和相同峰值加载应力下的疲劳寿命也大幅降低,且硬度在退火后也降至未退火材料的58%。对于紫铜材料,微观上晶粒越细则对应的宏观强度越高,这一结论可用晶界位错塞积模型[22]进行解释。位错塞积后,其对晶粒中的位错源即有反作用力,该反作用力随位错塞积的数目增大至临界值后可使位错源停止动作。细晶粒尺寸小,塞积的位错离位错源更近,因此相较粗晶粒更易达到位错源停止动作的临界值。而粗晶粒则可以在达到临界值之前不断放出位错,因此粗晶粒周围塞积位错多,产生的内应力更大,相邻晶粒的位错源更易开动,造成的结果便是在较低的外力下即产生塑性变形,表现出来即是低强度。
材料硬度可理解为材料抵抗弹性变形、塑性变形或破坏的能力,为其材料弹性、塑性、强度和韧性等力学性能的综合指标。拉伸实验结果显示紫铜经退火后弹性及强度下降,而对带粗糙度疲劳试件的断口瞬断区观测说明其韧性在退火后明显增强。微观组织结构影响宏观性能,最终表现出来的结果即是材料硬度在退火之后有所降低。
对于涉及到紫铜构件经受疲劳过程的工程应用,表面加工状况应该是着重考虑的方面。无量纲寿命用以描述疲劳寿命随粗糙度下降幅度,该值越低说明疲劳寿命对粗糙度变化越敏感。退火之后相同载荷下试件的疲劳寿命下降明显,这是由于材料更快的起裂且进入裂纹扩展阶段时拥有更快的扩展速率。然而,相同粗糙度试件退火后的无量纲寿命却比未经退火试件高,疲劳寿命对粗糙度变化不如未经退火试件敏感。究其原因,粗糙度对材料疲劳寿命的影响往往只限于裂纹萌生阶段[7]。对疲劳断口萌生区的观测发现,未经退火的试件在裂纹起裂阶段对表面 0.1 μm 量级沟壑缺陷的存在十分敏感,因表面应力集中产生的裂纹起裂后向内部生长的同时也会沿试件表面生长。而经过退火处理后的试件韧性增加,强度降低,破坏形式为韧窝的形成以及多个韧窝的互相连接,表面沟壑存在导致的应力集中使得表面附近韧窝更加密集,最终也产生了主裂纹萌生点。这一过程中,虽然表面应力集中对裂纹萌生产生了影响,然而韧窝结构的起裂形式却使裂纹起裂阶段对表面状况敏感性降低,同时更容易沿其他韧窝向试件内部扩展。最终表现为,退火后疲劳裂纹更快地起裂及之后更快地扩展,导致试件整体疲劳寿命降低,然而退火后试件的疲劳寿命对粗糙度的敏感度却不如未退火试件。
紫铜材料在很多实际应用中往往需要退火处理,然而本研究对紫铜材料力学及疲劳性能的考察结果表明,其在温度 595℃退火后各项性能均有明显下降。同时,较低的退火温度同样导致紫铜硬度降低,与先前的试验结果吻合[4]。硬度往往和材料强度正相关,退火处理导致材料硬度降低,在实际工程中则会造成较为危险的结果。退火处理在降低了晶界密度的同时减小了位错、空隙等内部缺陷,使得材料韧性提高。然而较低的晶界密度却也导致了材料宏观机械性能的降低。因此,如若需采用紫铜材料用作结构件,且对其硬度、强度或疲劳性能有所要求时应慎重采用退火处理,转而选择其他既能使材料强度有所提升的处理手段,如深冷处理等[5]。
本文中的试验是针对轧制成形的紫铜板材进行的研究,得到的结果对于其他加工成型的铜材也具有一定的参考价值。
本文选择 595℃、历经 1 h的再结晶退火条件对紫铜进行退火,对退火处理前后材料的微观结构(金相、晶向分布)和宏观性能(拉伸、硬度、疲劳)进行了全面、整体的考察。除基本机械性能之外,还对表面粗糙度对材料疲劳寿命的影响,以及材料疲劳裂纹扩展行为进行了考察。其中各项工作都具体给出定量的结果及分析,为工程中对紫铜构件有强度及疲劳性能有所要求的应用提供详实的参考。再结晶退火对材料各项性能影响的具体表现如下:
(1) 退火后,材料屈服强度、弹性模量及相同加载应力下对应的疲劳寿命降低,材料硬度也有所降低。
(2) 紫铜退火后各晶向相对峰值比分布发生改变,经再结晶后晶粒尺寸明显增大。
(3) 对于 Ra处于 0.3 μm ~1.1 μm 范围内试件,表面加工质量对紫铜疲劳寿命有明显影响;相同粗糙度水平下退火后试件的疲劳寿命对粗糙度的敏感性降低。
(4) 退火前后疲劳裂纹扩展阶段的裂纹扩展速率均符合 Paris公式,且退火后相同应力强度因子下裂纹扩展更快;退火后强度降低导致裂纹更早萌生,之后裂纹扩展更快,最终导致退火后紫铜试件疲劳性能的显著下降。
对于工程中只考虑紫铜优良的导电性、导热性及良好的耐腐蚀性而应用该材料时,合适的退火处理可使材料拥有更加良好的韧性,易于加工。然而如果涉及到对构件有强度及疲劳性能的要求时,可参考本文中所得退火前后紫铜材料性能具体定量表达式,对材料性能进行估算。但一般来说应慎用退火处理。
参考文献:
[1] 张宝昌. 有色金属及其热处理[M]. 西安:西北工业大学出版社, 1993.Zhang Baochang. Nonferrous metals and heat treatment[M]. Xi’an: Northwestern Polytechnical University Press,1993. (in Chinese)
[2] 王习术, 皮龙石, 纪熊, 等. 不同热处理的铝合金在应力梯度影响下表面裂纹扩展特性的评价[J]. 工程力学,1999, 16(1): 1―8.Wang Xishu, Kawagoishi H, et al. Evaluation of small crack growth rate of aluminum alloys under different stress gradients [J]. Engineering Mechanics, 1999, 16(1):1―8. (in Chinese)
[3] Zhou Y, Xiao S, Guo J. Recrystallized microstructure in cold worked brass produced by electropulsing treatment[J]. Materials Letters, 2004, 58(12): 1948―1951.
[4] 郭贵中. 退火处理对紫铜组织和性能的影响[J]. 平原大学学报, 2006, 23(3): 129―131.Guo Guizhong. Effect of anneal treatment on microstructure and property of red copper [J]. Journal of Pingyuan University, 2006, 23(3): 129―131. (in Chinese)
[5] 王思贤, 顾开选, 王俊杰. 深冷处理对紫铜性能和显微组织的影响[J]. 稀有金属, 2013, 37(2): 230―236.Wang Sixian, Gu Kaixuan, Wang Junjie. Effect of cryogenic treatment on microstructure and property of pure copper [J]. Chinese Journal of Rare Metals, 2013,37(2): 230―236. (in Chinese)
[6] Takahashi S, Sano M, Watanabe A, et al. Prediction of fatigue life of high-heat-load components made of oxygen-free copper by comparing with Glidcop [J].Journal of Synchrotron Radiation, 2013, 20(1): 67―73.
[7] Kunz L, Lukáš P, Navrátilová L. Strain localization and fatigue crack initiation in ultrafine-grained copper in high-and giga-cycle region [J]. International Journal of Fatigue, 2014, 58(1): 202―208.
[8] Zhang X, He X, Xing B, et al. Influence of heat treatment on fatigue performances for self-piercing riveting similar and dissimilar titanium, aluminium and copper alloys [J].Materials & Design, 2016, 97(1): 108―117.
[9] Higuera-Cobos O F, Berríos-Ortiz J A, Cabrera J M.Texture and fatigue behavior of ultrafine grained copper produced by ECAP [J]. Materials Science and Engineering: A, 2014, 609(1): 273―282.
[10] 陶佳跃, 周亚东, 张培伟, 等. 钛合金高温疲劳性能的试验研究[J]. 工程力学, 2016, 33(4): 250―256.Tao Jiayue, Zhou Yadong, Zhang Peiwei, et al.Experimental study on high temperature fatigue properties of Titanium alloys [J]. Engineering Mechanics, 2016, 33(4): 250―256. (in Chinese)
[11] Novovic D, Dewes R C, Aspinwall D K, et al. The effect of machined topography and integrity on fatigue life [J].International Journal of Machine Tools and Manufacture,2004, 44(2): 125―134.
[12] 肖维灵, 陈海波, 殷琰. 表面粗糙度对Glidcop和Q345低周疲劳寿命影响的试验研究[J]. 实验力学, 2014,29(4): 417―425.Xiao Weiling, Chen Haibo, Yin Yan. Experimental study of surface roughness effect on low cycle fatigue life of Glidcop and Q345 [J]. Journal of Experimental Mechanics, 2014, 29(4): 417―425. (in Chinese)
[13] 宗亮, 施刚, 王元清, 等. WNQ570 桥梁钢及其对接焊缝疲劳裂纹扩展性能试验研究[J]. 工程力学, 2016,33(8): 45―51.Zong Liang, Shi Gang, Wang Yuanqing, et al.Experimental study on fatigue crack behaviour of bridge steel WNQ570 based metal and butt weld [J].Engineering Mechanics, 2016, 33(8): 45―51. (in Chinese)
[14] 徐芳, 陈振中. A357铸造铝合金疲劳裂纹扩展行为以及裂纹偏折[J]. 工程力学, 2011, 28(10): 197―201.Xu Fang, Chen Zhenzhong. The fatigue crack propagation behaviour and crack deflection A357 casting Aluminum alloys [J]. Engineering Mechanics, 2011,28(10): 197―201. (in Chinese)
[15] 金峤, 孙泽宇, 孙威. 内压波动下的 CO2管道轴向表面裂纹疲劳扩展研究[J]. 工程力学, 2015, 32(5): 84―93.Jin Qiao, Sun Zeyu, Sun Wei. Study on fatigue crack growth in CO2 pipelines with an axial surface crack under pulsating internal pressure [J]. Engineering Mechanics, 2015, 32(5): 84―93. (in Chinese)
[16] 关鹏涛, 闾川阳, 唐夏焘, 等. Q345R 钢多个过载作用下疲劳裂纹扩展行为研究[J]. 工程力学, 2017,34(7): 224―231.Guan Pengtao, Lv Chuanyang, Tang Xiatao, et al. Study on fatigue crack growth behavior of Q345R steel under multiple overloads [J]. Engineering Mechanics, 2017,34(7): 224―231. (in Chinese)
[17] 叶诗茂, 阳世群, 王新钢, 等. 金相分析中铜导线的腐蚀剂探讨[J]. 消防科学与技术, 2005, 24(3): 370―372.Ye Shimao, Yang Shiqun, Wang Xingang, et al. The summary of corrosive agents in metallographic analysis of copper wire [J]. Fire Science and Technology, 2005,24(3): 370―372. (in Chinese)
[18] Pilkey W, Pilkey D. Peterson’s Stress Concentration Factors [M]. New York: John Wiley & Sons, 2008.
[19] Tang Y, Hosoi A, Iwase Y, et al. Effect of high-density electric current on the microstructure and fatigue crack initiation of stainless steel [J]. Materials Transactions,2013, 54(11): 2085―2092.
[20] Tada H, Paris P, Irwin G. The stress analysis of cracks handbook [M]. New York: ASME Press, 2000.
[21] 黄学伟, 张旭, 苗同臣. 建筑结构钢超低周疲劳断裂破坏的损伤预测模型[J]. 工程力学, 2017, 34(6):101―108.Huang Xuewei, Zhang Xu, Miao Tongchen. A damage prediction model for ultra low cycle fatigue failure of building structural steel [J]. Engineering Mechanics,2017, 34(6): 101―108. (in Chinese)
[22] 胡赓祥, 蔡珣, 戎咏华. 材料科学基础[M]. 上海: 上海交通大学出版社, 2010.Hu Gengxiang, Cai Xun, Rong Yonghua. Fundamentals of materials science [M]. Shanghai: Shanghai Jiao Tong University Press, 2010. (in Chinese)
EXPERIMENTAL RESEARCH ON THE EFFECT OF ANNEALED TREATMENT ON MICROSTRUCTRUE AND MECHANICAL PROPERTIES OF PURE COPPER
YIN Yan1 , CHEN Hai-bo1 , JU Yang2
(1. CAS Key Laboratory of Mechanical Behavior and Design of Materials,Department of Modern Mechanics, University of Science and Technology of China, Hefei 230026, China;2. Department of Mechanical Science and Engineering, Nagoya University, Nagoya 464-8603, Japan)
Abstract: The effects of annealed treatment on the microstructure and mechanical properties of pure copper were investigated by using X-ray diffraction (XRD), optical microscopy, hardness test, tension and fatigue tests,and scanning electron microscope (SEM) methods. The effect of surface topography for fatigue life was studied.Observation of fatigue crack propagation was operated using notched specimens. The quantified results of crack growth rate and the relationship between roughness and fatigue life were obtained. The results show that the microstructure and mechanical properties changed after the annealing. Firstly, the diffraction peaks became narrow and the grains became larger. Secondly, the tensile strength, elasticity modulus, Vickers hardness (HV) and fatigue strength of annealed pure copper were significantly decreased. Lastly, the sensitivity of fatigue life on roughness became lower, and the fatigue crack initiated earlier and propagated faster.
Key words: pure copper; annealed treatment; microstructure; fatigue properties; roughness
中图分类号:TG115.5
文献标志码:A
doi: 10.6052/j.issn.1000-4750.2017.02.0116
文章编号:1000-4750(2018)06-0222-09
收稿日期:2017-02-14;修改日期:2017-10-26
基金项目:国家自然科学基金项目(10975130);中国科学院战略性先导科技专项(B类)项目(XDB22040502);国家留学基金管理委员会项目(201406340014)
通讯作者:陈海波(1968―),男,福建人,教授,博士,博导,主要从事计算力学与结构强度研究(E-mail: hbchen@ustc.edu.cn).
作者简介:殷 琰(1989―),女,江苏人,博士生,主要从事材料断裂与疲劳性能研究(E-mail: yinyan@mail.ustc.edu.cn);
巨 阳(1962―),男,山东人,教授,博士,博导,主要从事材料强度评价研究(E-mail: ju@mech.nagoya-u.ac.jp).